Noticias|Artículos|Figuras|Enlaces|belenismo.net
Foro de Belenismo

¿Quieres anunciarte aquí? - contacta con nosotros
Has entrado como invitado. ( Entra | regístrate )
  Entra con Google

Técnica -> Iluminación y efectos especiales
mecanismo para pozo de torno

Páginas: 1 2 3 4 5 6
3949
El Albujón - MURCIA -
Eduardo, se me ha olvidado de comentarte que, como los relés son de 4 contactos y tú -en realidad- solo necesitas 2, podemos hacer -con un tercer contacto de los relés que hacen el inversor del motor principal, un enclavamiento, para asegurarnos de que: ni por defecto ni por error de manipulación pudiesen conectarse los dos relés a la vez, ya que esto provocaría, un cruce de líneas –cortocircuito- y casi seguro la rotura de los contactos utilizados, también la del R-5 (¡¡Que pena, no!! con el trabajo que te ha costado conseguirlo, jeje). Mañana te volveré a mandar el croquis, ya con la nueva reforma incluida.
Un saludo.
Parte superior de la página Parte inferior de la página
478
Es Castell-Menorca
OK!!! A tus ordenes!!!je je je.Intentare ir a una empresa que instala alarmas y sistemas de segurida a ver si me pueden vender los contactos que me pusiste en una foto,haber si hay suerte y los puedo conseguir.Con los reles,al verlos tan "sofisticados",pense que no valdrian(pues me trajo unos dias atras,unos que iban a 220V. y me dio reparo en comentartelo).
Saludos
Parte superior de la página Parte inferior de la página
3949
El Albujón - MURCIA -
Lo prometido es deuda, jeje, aquí tienes el nuevo esquema.

(Malacate2r.JPG)
Adjuntos
----------------
Adjuntos Malacate2r.JPG (56KB - 148 descargas)
Parte superior de la página Parte inferior de la página
478
Es Castell-Menorca
Esto si que es Eficacia!!!!Esperando a poder empezar con el montaje
Parte superior de la página Parte inferior de la página
3949
El Albujón - MURCIA -
Eduardo, lo más sencillo para ti es poner los magnéticos, tienes el inconveniente de que son un poco más caros, pero vamos......te valen también los convencionales, estos -lógicamente- son más dificultosos de montar, pues tienes el follón de acoplarles el resorte que los haga accionar y con los magnéticos solo es acoplar el imán. Mi opinión ya la tienes, tú decides, te paso el marrón, jeje.
Los últimos de la pagina que me has puesto en el privado, son unas ampollas de cristal cuyos contactos no tienen la vida de los otros que están al principio, se utilizan para intercalar en circuitos electrónicos, los otros mas robustos, los puedes encontrar en cualquier tienda de alarmas, electricidad, o incluso ferreterías, digamos que son más fácil de conseguir.
Parte superior de la página Parte inferior de la página
478
Es Castell-Menorca
Pues no hay mas que hablar,e por los imanes y haber si hay suerte
Un saludo
Parte superior de la página Parte inferior de la página
478
Es Castell-Menorca
Hola David!!!Tengo una pregunta,ya que tengo el motor de limpia bien anclado en su sitio y nivelado con la tapa¿puedo ponerle espuma de poliuretano para amortiguar un poco el ruido que hace al tener que girar tan lento?en el resto del cajon,le pondre espuma adhesiva de la que ponen en los conductos de ventilacion de aire acondicionado

Modificado por eduar2 23/4/2009 11:40
Parte superior de la página Parte inferior de la página
3949
El Albujón - MURCIA -
Claro que puedes, pero eso yo lo haría lo último, cuando esté todo bien probado, ¿no te parece? Aunque el ruido siempre saldrá por la ranura que guía al haberío, pero bueno algo es algo, jeje.
Un saludo.
Parte superior de la página Parte inferior de la página
478
Es Castell-Menorca
hola David!!!!Al fin ya tengo los finales de carrera!!!!ALELUYA!!!Ya puedo empezar con el montaje,lo unico es que no son de iman,son los tradicionales,pero algo es algo no?

(carreto i carro 002 [800x600].jpg)
Adjuntos
----------------
Adjuntos carreto i carro 002 [800x600].jpg (105KB - 152 descargas)
Parte superior de la página Parte inferior de la página
3949
El Albujón - MURCIA -
Pues.....nada Eduardo, conforme vayas necesitando ayuda....ya sabes, aquí estamos.
Un saludo y suerte, jeje.
Parte superior de la página Parte inferior de la página
478
Es Castell-Menorca
Con tantos numeros me hago un lio y no se si lo hago bien o no,te pongo foto con numeros del rele para saber si esta bien o" me pegas la primera bronca"je je je

(rele.jpg)

(rele 2.jpg)

(conexionado rele.jpg)
Adjuntos
----------------
Adjuntos rele.jpg (35KB - 138 descargas)
Adjuntos rele 2.jpg (93KB - 150 descargas)
Adjuntos conexionado rele.jpg (36KB - 141 descargas)
Parte superior de la página Parte inferior de la página
478
Es Castell-Menorca
te pongo numeracion bien,arriba esta equivocada

(conexionado rele2a.jpg)
Adjuntos
----------------
Adjuntos conexionado rele2a.jpg (36KB - 139 descargas)
Parte superior de la página Parte inferior de la página
3949
El Albujón - MURCIA -
Eduardo, tienes que fijarte en los contactos abiertos y cerrados: por ejemplo en el esquema están al contrario que en el relé, quiero decir que según tu numeración, el 41 es correcto (común) pero el 42 no está bien, debe de ir al contacto cerrado, es decir, tu debes de conectar los cables entre 41 y 44, igual en el siguiente, 31 y 34. La alimentación de la bobina está correcta, ahí, sobresaliente, jeje.
Ánimo que lo tienes chupao.
Si crees que te vas a liar mucho te pongo yo los números, pero pienso que es bueno que quemes tu algún motor, jeje.
Parte superior de la página Parte inferior de la página
478
Es Castell-Menorca
OK!!!Era es que me liaba,que en el rele esta al reves y ante la duda...Deja deja de quemar,que con lo que me ha costado conseguirlo todo je je je.En los finales de carrera me pasa lo mismo,que no tengo ni idea de como hacer las conexiones.Otra cosa,hilo paralelo sirve o es muy grueso,nose cual poner y antes de empezar,preguntar al maestro

(carreto i carro [800x600].jpg)
Adjuntos
----------------
Adjuntos carreto i carro [800x600].jpg (69KB - 139 descargas)
Parte superior de la página Parte inferior de la página
3949
El Albujón - MURCIA -
En los finales de carrera es igual que en los relés, tienes que tener en cuenta los contactos cerrados (NC) y abiertos (NO). Tú no te preocupes por preguntar, lo importante es tenerlo claro, (más vale ser tonto cinco minutos, que no toda la vida, jeje) No tienes más que darte cuenta en el dibujo del esquema si el contacto está abierto o cerrado....y eso mismo repetirlo tú en el final de carrera o en el relé. No se porque, cada vez te veo más cerca de conseguirlo, jeje.
Saludos.

(Malacate3.JPG)
Adjuntos
----------------
Adjuntos Malacate3.JPG (46KB - 142 descargas)
Parte superior de la página Parte inferior de la página
478
Es Castell-Menorca
Haber David,cual es la forma correcta de empalmar los hilos ,la I(un hilo asta el final y enpalmando en el) o la II(entrando uno y saliendo otro para el siguiente),no creas que solo he sido tonto 5minutos,llevo rato mirando y ni por esas je je je

(empalmes.jpg)
Adjuntos
----------------
Adjuntos empalmes.jpg (17KB - 138 descargas)
Parte superior de la página Parte inferior de la página
3949
El Albujón - MURCIA -
La correcta es la II, lo que pasa es que cuando se hacen los esquemas, -en la mayoría de casos- se hacen unifilares y no se especifican bien los sistemas de conexión. Ah, lo de tonto cinco minutos no lo tomes al pié de la letra, jejeje, que solo es una frase hecha.
Un saludo.
Parte superior de la página Parte inferior de la página
478
Es Castell-Menorca
pues algun momento me lo tomo y mas je je je.Me lo suponia pero para estar seguro mejor preguntar.Haber si mañana me dejan empezar con ello y te volvere a preguntar o ¿no te podrias venir a pasar unos dias por aqui y de paso...?je je je.
P.D.:el ofrecimiento esta en pie,no sera por casa
Parte superior de la página Parte inferior de la página
3949
El Albujón - MURCIA -
De verdad que me encantaría Eduardo pasar unos días de buena compañía, -me pareces un gran tipo- pero de las dos clases de vida que hay, a mí me ha tocado vivir la mala, la que no tienes tiempo nada más que para trabajar, jeje.....suerte que tiene uno.
Un saludo.
Parte superior de la página Parte inferior de la página
478
Es Castell-Menorca
Hola David y Gracias por las palabras de animo,ya estamos en casa!!!.Como te he comentado en privado,te mando un croquis para saber si esta bien la manera de hacer conexiones entre reles o me pegas otro tiron de orejas je je je
Saludos!!!

(Dibujo2.JPG)
Adjuntos
----------------
Adjuntos Dibujo2.JPG (35KB - 137 descargas)
Parte superior de la página Parte inferior de la página
3949
El Albujón - MURCIA -
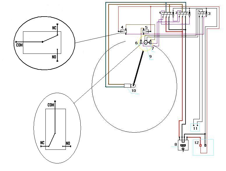
Eduardo, vamos a ver si con este otro croquis nos entendemos mejor. De momento solo te pongo el cableado del motor principal y cuando este lo tengas claro continuamos con otra maniobra, debes de tener en cuenta que en este esquema, el dibujo de conexiones es igual al del relé original, o sea, que guardan el mismo orden. Si te das cuenta te he dibujado como debes de conectar los cables, ejemplo; cuando un mismo cable va a dos contactos de diferentes relés, -como es lógico- primero conectamos en un contacto del primer relé - como marca el esquema- y de ese mismo tornillo hacemos un puente hasta el siguiente contacto del segundo relé, también como marca el esquema. Es importante que tengas claro el sistema de conexiones, pues lo más gordo está por llegar, jeje.
Puedes preguntar cuantas veces quieras....bueno, hasta que te quede claro, jeje.
Concretamente este esquema es un inversor para que el motor principal pueda girar en doble sentido, si te das cuenta, en la salida de los relés, (parte de arriba) los cables que van hacia el motor están invertidos, esto quiere decir que cuando funcione el primer relé girará en un sentido y cuando se conecte el segundo relé lo hará en otro.
Venga....animo y al toro.

(Malacate4.JPG)
Adjuntos
----------------
Adjuntos Malacate4.JPG (34KB - 143 descargas)
Parte superior de la página Parte inferior de la página
478
Es Castell-Menorca
Ok Maestro!!!Suponia que tenia que entrar y salir por el mismo tornillo,pero con "aparatitos" de estos no habia trabajado nunca.Tengo mucho cable paralelo,de altavoz(rojo,negro)y cajas de 1.5¿Cual es mejor?Esta mañana de medicos con el pequeño y la mayor y despues como dicen:Suerte,Vista y al toro
je je je
Parte superior de la página Parte inferior de la página
3949
El Albujón - MURCIA -
Cualquiera de los cables valen para hacer el cableado, si utilizas el bicolor musical....pues ya tienes diferenciado el positivo (rojo) del negativo (negro) pero vamos..... que valen todos, y para un todo terreno como tú....chupao, jejeje.
Un saludo.
Parte superior de la página Parte inferior de la página
3949
El Albujón - MURCIA -
Te pongo otro avance más del esquema, no quiero te quedes parado por mi culpa, jeje.
Saludos.

(Malacate5.JPG)
Adjuntos
----------------
Adjuntos Malacate5.JPG (43KB - 156 descargas)
Parte superior de la página Parte inferior de la página
478
Es Castell-Menorca
Estupendo!!!Ahora me estaba mirando como conectar los finales que van sueltos.Al final la entrada de corriente negativa me dijiste que estava bien,en A2.Para la alim. de 12v.,¿Vale una misma toma para coger corriente para cebek y finales?Pondria una regleta por fuera y cojeria corriente para los 2 por separado?O mejor 2lineas,uno para cada uno.La fuente de alim. es de ordenador
Esto va tomando color!!!!Gracias por todo David.

Modificado por eduar2 6/5/2009 21:07
Parte superior de la página Parte inferior de la página
Páginas: 1 2 3 4 5 6
Saltar al foro :
Buscar en este foro
Versión Impresa
Enviar un mail con el enlace a este tema

(Borrar todas las cookies grabadas por este sitio)
Ejecutándose MegaBBS ASP Forum Software
© 2002-2026 PD9 Software