Noticias|Artículos|Figuras|Enlaces|belenismo.net

Buscar | Estadísticas | Listado de usuarios Foros | Calendarios | Álbumes | Skins
Foro de Belenismo

¿Quieres anunciarte aquí? - contacta con nosotros

Has entrado como invitado. ( Entra | regístrate )

Técnica -> Iluminación y efectos especiales
mecanismo para pozo de torno

Páginas: 1 2 3 4 5 6
3949
El Albujón - MURCIA -
Si, si, es correcto, negativo conectado en (A2). Ah, ¿para cuando sacara agua? jeje.
Parte superior de la página Parte inferior de la página
478
Es Castell-Menorca
Perdona David,mientras me estabas contestando,he modificado el mensaje¿Te lo podrias mirar de nuevo?Gracias!!!
Parte superior de la página Parte inferior de la página
3949
El Albujón - MURCIA -
Te podría valer cogiendo corriente (12-Vcc) de una misma línea, pero si pones una línea de trabajo (cebek) y otra de maniobra para todo lo de más, pues....incluso sería mejor.
Dices que va tomando color.......mi consejo es que no lo pintes todavía, jeje.
Parte superior de la página Parte inferior de la página
478
Es Castell-Menorca
A la orden!!!je je je.Ahora viene lo mas complicado,poner los finales a la altura del motor del averio,tendre que hacer unos "postecillos" para que hagan contacto y a los finales les tendre que quitar la rueda que tienen,no sea cosa que se me enganchen.
¿Agua?,¿No podriamos sacar petroleo y vamos a medias?je je je

(montage 019.jpg)
Adjuntos
----------------
Adjuntos montage 019.jpg (143KB - 156 descargas)
Parte superior de la página Parte inferior de la página
3949
El Albujón - MURCIA -
Vas muy bien Eduardo, ya veo que has puesto un carril DIN -de recuperación- para colocar los relés. ¡¡Estupendo!!
Un saludo.
Parte superior de la página Parte inferior de la página
478
Es Castell-Menorca
Con un maestro como tu!!!Como puedes ver,he puesto toda la parte elec. en un mismo sitio porque al poner el pozo,tendre que agujerear la tapa para que los baldes lleguen asta abajo,sino la cuerda quedara arrugada y se podria atascar el invento
Parte superior de la página Parte inferior de la página
3949
El Albujón - MURCIA -
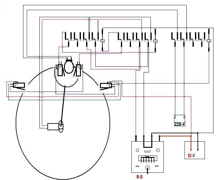
Como veo que vas muy adelantado, te pongo el esquema ya terminado, no quiero que pierdas de sacar agua por un descuido mío, jeje.
Un saludo.

(Malacate6.JPG)
Adjuntos
----------------
Adjuntos Malacate6.JPG (48KB - 156 descargas)
Parte superior de la página Parte inferior de la página
478
Es Castell-Menorca
David,los finales que van con el motor del averio,¿Tienen que estar los dos como en el esquema o uno contra otro?Osea,uno con la patilla hacia arriba y el otro para abajo
Saludos!!!

(Dibujo3.jpg)
Adjuntos
----------------
Adjuntos Dibujo3.jpg (18KB - 131 descargas)
Parte superior de la página Parte inferior de la página
3949
El Albujón - MURCIA -
Sí Eduardo, deben de estar como tú los has dibujado, siempre a favor del sentido de giro que tenga el motor. Los que yo he dibujado, están colocados para un motor de doble sentido, así que....te pondré 3 puntos más por el detalle, jeje.
Un saludo.
Parte superior de la página Parte inferior de la página
478
Es Castell-Menorca
Ha ver si te quitare el sitio!!!je je je.Tu dices que pregunte y yo pregunto.Gracias
Parte superior de la página Parte inferior de la página
478
Es Castell-Menorca
Buenos Dias!!!Ayer mirando donde seria mejor colocar los finales,me di cuenta que lo ponemos de tal manera que la base del motor(el color amarillo) tendria que girar y yo la tengo fija al brazo que la sujeta.¿Tendriamos que poner los finales como el dibujo 1 o como en el 2?

(dibujo 1.jpg)

(Dibujo 2..jpg)
Adjuntos
----------------
Adjuntos dibujo 1.jpg (23KB - 142 descargas)
Adjuntos Dibujo 2..jpg (21KB - 152 descargas)
Parte superior de la página Parte inferior de la página
3949
El Albujón - MURCIA -
La base del motor no tendría que girar sobre sí misma, solo tendrías que hacer un taladro al eje que sube hacia el caballo y sujetarle cualquier artilugio para que active los finales cuando éste se mueva, -según la orientación del caballo-...o bueno....no sé si he entendido bien tu pregunta, creo que te refieres a eso.
Un saludo.
Parte superior de la página Parte inferior de la página
478
Es Castell-Menorca
OK!!!Si hago una doble L en el brazo que sujeta el averio,podre bajar un poco el motor y por donde se enrosca la varilla roscada hacia el averio,abajo hay un agujero,que gira con el averio, que le podre introducir una varilla fina y ya esta
Parte superior de la página Parte inferior de la página
3949
El Albujón - MURCIA -
Sí, sí, puede valer cualquier cosa que inventes capaz de accionar los finales de carrera. Ah, la próxima vez revisa ese "averio" que algunos amig@s del foro pensarán que vas a enganchar una gallina en el malacate, jeje, bueno....ya sabes.....que es broma.
Un cordial saludo.
Parte superior de la página Parte inferior de la página
478
Es Castell-Menorca
Haber David,ahora estoy bien atascado con los finales para que el caballo de media vuelta.No me sale la manera de ponerlos y la unica es que uno tiene que ir sobre la barra que viene del limpia y sujeta el motor del caballo.¿Voy bien o voy mal?
Parte superior de la página Parte inferior de la página
3949
El Albujón - MURCIA -
Tienes que poner los dos finales en la barra que sostiene el motor de rotación, para que cuando gire éste 180º active uno u otro final...según el sentido de giro.

(Malacate7.JPG)
Adjuntos
----------------
Adjuntos Malacate7.JPG (10KB - 138 descargas)
Parte superior de la página Parte inferior de la página
478
Es Castell-Menorca
De acuerdo!! Y ahora la pregunta del millon:¿Los otros dos finales,tambien tienen que hacer contacto con el brazo del motor para que pare y de la vuelta alreves?Los he puesto en el suelo y ahora veo que no estan bien¿o no?
Que paciencia tienes conmigo!!!!
Parte superior de la página Parte inferior de la página
3949
El Albujón - MURCIA -
Efectivamente esos finales delimitan el recorrido. Primero tienes que averiguar el recorrido de los baldes, que será el mismo que tú dejaras entre un final y el otro, bueno...teniendo en cuenta la circunferencia del torno o si lo ves más fácil, lo haces probando en directo, así no fallarás. Aunque me da la sensación de que el recorrido -altura de los baldes- será muy corto, es decir, el haberío hará muy poca traslación y posiblemente este hecho desluzca un poco el funcionamiento de todo el conjunto. Ah, y de paciencia nada, te recuerdo que este proyecto....lo llevamos a medias, jeje.
No sé si he contestado a tu pregunta, si no es así pregunta de nuevo.

(Malacate8.JPG)
Adjuntos
----------------
Adjuntos Malacate8.JPG (22KB - 143 descargas)
Parte superior de la página Parte inferior de la página
478
Es Castell-Menorca
Hola David!!!Como te dije,he intentado poner todos los mecanismos al lado del motor del limpia para tener el espacio donde ira el pozo libre para poder hacer un agujero(que sera un cajon de las dimensiones interiores del pozo)para que los baldes puedan subir y bajar libremente con todo el recorrido del torno.La circunferencia de rotacion del Haberio,tiene 25cm. de radio y es lo manda
P.D.:Ahora entiendo lo que me dijiste del "averio" que ponia yo,no lo habia escuchado nunca,ni con ni sin Hache(pobres patos si tuvieran de girar el torno je je je)
Un fuerte abrazo
Parte superior de la página Parte inferior de la página
478
Es Castell-Menorca
ESTOCAMINAAAAAAAAAAAAAAAAAAAAAAAAA!!!!!!!Gracias David por tu paciencia y sabiduria,siguiendo tus pasos esto funciona a la perfeccion!!!!Te pongo foto de como he puesto los finales que marcan el recorrido,me dieron un montaje de una puerta de camara frig. que habian retirado,venia con dos finales pero sin patilla larga y se accionan mediante un muelle que toca a uno u otro segun gira el motor y pense que no valian y al final me han sido de gran utilidad y solo le faltan 2cm. para dar la vuelta entera.Cuando pueda subire videohttp://foro.belenismo.net/images/emoticons/wink.gif



Modificado por eduar2 11/5/2009 16:35

(mecanismo puerta.jpg)

(mecanismo puerta 2.jpg)
Adjuntos
----------------
Adjuntos mecanismo puerta.jpg (76KB - 151 descargas)
Adjuntos mecanismo puerta 2.jpg (70KB - 150 descargas)
Parte superior de la página Parte inferior de la página
3949
El Albujón - MURCIA -
Me alegro mucho de tu éxito, ¡¡que suerte!! estas cosas ha distancia no creas que siempre funcionan, pero....tengo que reconocer que eres un gran profesional. Posiblemente que aparezca después -cuando lo tengas todo montado- alguna pega, vamos.....nada importante, alguna variación, ajuste....o que me se yo, jeje. Ya me contarás.
Parte superior de la página Parte inferior de la página
3949
El Albujón - MURCIA -
Lo del final de carrera no lo había visto claro, ahora lo veo, es un final de carrera de una puerta de corredera con cremallera -que en la puerta- va ubicado junto al motor, pero en la parte interior, digamos.....junto a la puerta.

Que suerte has tenido con el recorrido, pues viene justo el ancho de la pletina que accionan las finales, ¡estupendo!
Oye, cuando gire hacia el otro lado, ¿no estorbarán los cables del final de carrera? Hablo de la última foto.
Un saludo.


Modificado por J. David 11/5/2009 18:45
Parte superior de la página Parte inferior de la página
478
Es Castell-Menorca
Como se nota que eres un profesional!!!Si,es lo que tu dices,era de una puerta de una camara frigorifica de una fabrica.Molestar un poco,suerte que el muelle va fino porque casi toda la presion la hace la conexion.Con lo que tengo problemas es con la fuente del PC que no me arranca,no se como coger la corriente y estoy utilizando la otra fuente(y la verdad es que es un mamotreto)¿como tengo que coger la corriente de la fuente del PC
Parte superior de la página Parte inferior de la página
3949
El Albujón - MURCIA -
Eduardo, si la fuente no lleva interruptor incorporado tienes que hacer un puente entre los cables; verde y un negro cualquiera, los unes y a funcionar.
Si es usada la fuente, puede que esté mal, pues hay algunas que se paran el meterles carga, en fin....alguna pega tiene que haber, jeje.
Parte superior de la página Parte inferior de la página
220
Sicilia (ITALIA)
Eduardo, está muy contento para ti, pienso que tu alegría es infinita y espero que tu experiencia pueda ser de ejemplo por todos los que no hacen nada porque, a lo mejor, creen no poder lograr.
Felicitaciones por tu perseverancia.
Sobre el éxito del proyecto, con el maestro al que te has encomendado, no tuve ninguna mínima duda.

Por cuánto concierne el manantial de alimentación del PC tienes que unir, como en la foto, el hilo verde con uno de aquellos negros.

Un saludo desde Italia.
Aldo.

(Contat_PC_01.jpg)
Adjuntos
----------------
Adjuntos Contat_PC_01.jpg (41KB - 143 descargas)
Parte superior de la página Parte inferior de la página
Páginas: 1 2 3 4 5 6
Saltar al foro :
Buscar en este foro
Versión Impresa
Enviar un mail con el enlace a este tema

(Borrar todas las cookies grabadas por este sitio)
Ejecutándose MegaBBS ASP Forum Software
© 2002-2025 PD9 Software