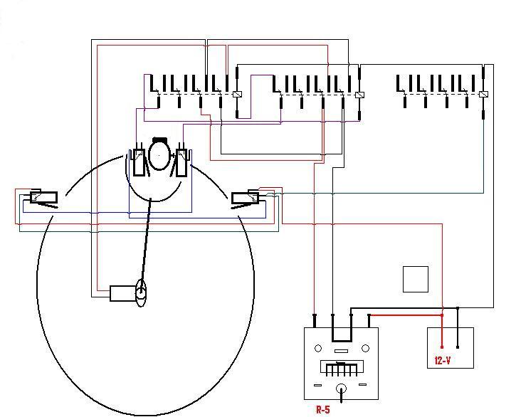
Eduardo, vamos a ver si con este otro croquis nos entendemos mejor. De momento solo te pongo el cableado del motor principal y cuando este lo tengas claro continuamos con otra maniobra, debes de tener en cuenta que en este esquema, el dibujo de conexiones es igual al del relé original, o sea, que guardan el mismo orden. Si te das cuenta te he dibujado como debes de conectar los cables, ejemplo; cuando un mismo cable va a dos contactos de diferentes relés, -como es lógico- primero conectamos en un contacto del primer relé - como marca el esquema- y de ese mismo tornillo hacemos un puente hasta el siguiente contacto del segundo relé, también como marca el esquema. Es importante que tengas claro el sistema de conexiones, pues lo más gordo está por llegar, jeje.
Puedes preguntar cuantas veces quieras....bueno, hasta que te quede claro, jeje.
Concretamente este esquema es un inversor para que el motor principal pueda girar en doble sentido, si te das cuenta, en la salida de los relés, (parte de arriba) los cables que van hacia el motor están invertidos, esto quiere decir que cuando funcione el primer relé girará en un sentido y cuando se conecte el segundo relé lo hará en otro.
Venga....animo y al toro.
(Malacate4.JPG)Adjuntos
----------------