Noticias|Artículos|Figuras|Enlaces|belenismo.net
Foro de Belenismo

¿Quieres anunciarte aquí? - contacta con nosotros
Has entrado como invitado. ( Entra | regístrate )
  Entra con Google

Técnica -> Iluminación y efectos especiales
Circuitos, esquemas y montajes para nuestro Belén

Páginas: 1 2 3
933
Valencia

Os dejo  los circuitos, esquemas y montajes que suelo usar, asi si queremos dar un aspecto más atractivo solo tendremos que montarlos, cualquier duda ó sugerencia la comentais y entre todos seguro que lo solucionamos.

 

Como punto de mención, para realizarlos solo es necesario una tienda de componentes electrónicos de vuestra ciudad, (se intentará que los componentes sean standar en lo posible) un soldador, estaño, cables y el circuito impreso, este seria lo más complicado de realizar, se puede cablear en un circuito uniprint de estos de agujeros, y lo que se necesita en mayor medida es ilusión, creo que eso es lo que más tenemos por aqui.

 

Empezamos con un circuito que permite regular el umbral de unas bombillas, dando la sensación que se hace de día y de noche.

 

Para complementarlo se necesita un temporizador ciclico, este se encargará de conmutar los ciclos día y noche.

 


(Esquema regulador de luz 1.jpg)

(Esquema regulador de luz 2.jpg)

(Esquema regulador de luz 3.jpg)

(Esquema regulador de luz 4.jpg)

(Esquema regulador de luz 5.jpg)

(Esquema regulador de luz 6.jpg)

(Esquema regulador de luz 7.jpg)
Adjuntos
----------------
Adjuntos Esquema regulador de luz 1.jpg (201KB - 2027 descargas)
Adjuntos Esquema regulador de luz 2.jpg (251KB - 895 descargas)
Adjuntos Esquema regulador de luz 3.jpg (183KB - 924 descargas)
Adjuntos Esquema regulador de luz 4.jpg (283KB - 829 descargas)
Adjuntos Esquema regulador de luz 5.jpg (284KB - 844 descargas)
Adjuntos Esquema regulador de luz 6.jpg (234KB - 977 descargas)
Adjuntos Esquema regulador de luz 7.jpg (260KB - 912 descargas)
A ManuelBGomez le gusta esto.
Parte superior de la página Parte inferior de la página
933
Valencia

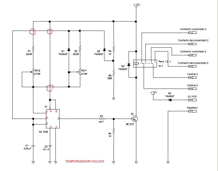
Este circuito es un temporizador ciclico, los tiempos se pueden regular a voluntad, entre 1 y 5 minutos aproximadamente, solo debemos regular los ajustables a nuestro gusto.

 

Es posible dar otros tiempos si cambiamos los valores R1 y R2 de 220K a 560K ohmios, tambien se pueden poner los ajustables de 470K a 1M ohmios e incluso cambiar el Condensador C1 de 470uf por uno de 1000uf, esto es según la necesidad.

 

R1-220K ohmios Ω

R2-220K ohmios

R3-4k7 ohmios

R4-1K ohmios

R5-1K ohmios

R6-560 ohmios

Potenciometro ajustable 1- 470K ohmios

Potenciometro ajustable 2- 470K ohmios

D1- 1N-4007

D2- 1N-4007

D3- 1N-4007

D4- 1N-4007

C1- Condensador electrolitico 470uf 25 Voltios

C2- Condensador ceramico 10 nF 63 voltios

Rele- rele de 12 voltios 2 contactos conmutados

U1- Circuito integrado NE-555

Q1- Transistor NPN BC-337

 

 

La alimentación es de 12 Voltios corriente continua, se puede sacar de cualquier alimentador universal por ejemplo de estos que tienen varias salidas, no hay problemas de invertir la polaridad, el diodo D4 evita que se nos pueda estropear en caso de conectarlo mal.

 

Las salidas conmutadas se pueden conectar de varias maneras, los centrales irian al motor y los contactos conectado y desconectado se conectan cruzados, de esta manera se invierte la polaridad del motor para efectuar movimientos (en este caso se necesitan unos interruptores de fin e inicio del movimiento) ciclos de día-noche etc.

 

Iremos ampliando este circuito, ya que pienso es uno importante para nuestros belenes.

 

 

 



Modificado por Pitagorin 20/9/2006 20:53

(Esquema temporizador ciclico.jpg)
Adjuntos
----------------
Adjuntos Esquema temporizador ciclico.jpg (85KB - 1142 descargas)
Parte superior de la página Parte inferior de la página
933
Valencia
Una aplicación para el temporizador ciclico seria esta que se muestra aqui.

Los conmutadores de fin e inicio paran el mecanismos para que no se queme el motor, terminado el ciclo el rele cambia, girando el mecanismo en el sentido opuesto retornando al inicio asi sucesivamente.

Tener en cuenta que la tensión aplicada sera la del funcionamiento del motor, en este caso es un esquema que tenia para un motor de 24 Voltios, se trata de ver los contactos del conmutador como si fueran los contactos del rele.

Si quereis montar el circuito del conmutador es muy facil, os ayudará a comprender su mecanismo.

(giro del motor.jpg)
Adjuntos
----------------
Adjuntos giro del motor.jpg (35KB - 486 descargas)
Parte superior de la página Parte inferior de la página
Gracias por los circuitos, pasado mañana me pasare por la tienda a comprar los componentes que me faltan. Si a ti te funciona espero que a mi tambien. Me voy a currar un fotolito con autacad, cuando lo tenga lo colgare en el foro, que sera dentro de unos dias cuando saque un poco de tiempo. Gracias de nuevo.
Parte superior de la página Parte inferior de la página
933
Valencia
Tranquilo que estos circuitos funcionan, si tienes algún problema lo dices, tenia pensado rutar el circuito si lo haces tu pues ya lo tenemos, tengo el fotolito muy mal dibujado.

Autocad je je, hace tiempo que no lo uso, reconozco que hace años me venia muy bien me quede con la versión 14 ahora hay programas especificos para circuitos impresos.
Parte superior de la página Parte inferior de la página
Conoces algun programa LIBRE para hacer circuitos impresos que este bien, y si puede ser en castellano. Simpre que me he descargado alguno son versiones demo.
Parte superior de la página Parte inferior de la página
933
Valencia
No conozco ningún programa que este en castellano,los que conozco todos en ingles orcad, tango etc. hay vacunas para las versiones.

De todas formas no es dificil de usar, las herramientas basicas me refiero.

Utilizo el P-CAD por si te sirve de ayuda.

Mira esta pagina:

http://olmo.pntic.mec.es/jmarti50/descarga/d-electron.html
Parte superior de la página Parte inferior de la página
387
EL PUERTO DE SANTA MARIA
Hola;

Un programa gratuito para hacer circuitos lo podeis descargar de esta pagina se llama kicad

http://www.lis.inpg.fr/realise_au_lis/kicad/
Parte superior de la página Parte inferior de la página
El programa kicad aunque es en español no lo consigo de entender, no existira algun manual o algo por el estilo?
Parte superior de la página Parte inferior de la página
Tengo unas dudas con el esquema. ¿Lo que te he señalado en rojo que son uniones o puentes, y las uniones que he señalado son asi? porque he montado el circuito en una placa board y no me funciona, el rele se queda aactivado todo el tempo. Lo tengo que revisar detenidamente pero tengo esa duda con el esquema.

(Esquema2.JPG)
Adjuntos
----------------
Adjuntos Esquema2.JPG (39KB - 624 descargas)
Parte superior de la página Parte inferior de la página
1385
---- Gran Canaria
.- las uniones son las marcadas con punto negro. Esto es el esquema de conexión, pero no es el esquema de posición de componentes.
Parte superior de la página Parte inferior de la página
933
Valencia
x david

Asi es como dice jbr_belenes

Las uniones son los puntos negros, lo que marcas en circulo rojo NO debe de estar unido.
Parte superior de la página Parte inferior de la página
OK, es como figuraba, en el esquema que colgaste no se veia muy bien.

Ya me funciona, error mio, estaba colocando el transistor al reves. Gracias por todo.
Parte superior de la página Parte inferior de la página
933
Valencia
Aqui pongo el esquema para encendido y apagado de las casas, solo hay que añadir los 4050 siguiendo la primera cadena , es decir la flecha debe ir a otro 4050 IC2-A que seria la pata nº 3.

Si se desea controlar bombillas de 220 V, se puede hacer con reles ó triacs.




(Encendido apagado casitas.jpg)

(CD-4050.jpg)
Adjuntos
----------------
Adjuntos Encendido apagado casitas.jpg (48KB - 601 descargas)
Adjuntos CD-4050.jpg (51KB - 584 descargas)
Parte superior de la página Parte inferior de la página
231
Sevilla.
Hola, os muestro un regulador que he encontrado en un bazar, y que por 6 E, parece bastante apañado,
para luces, motores, soldadores y lo que se os ocurra....
Las caracteristicas ponen 220v/400w

(Imagen 019.jpg)

(Imagen 020.jpg)
Adjuntos
----------------
Adjuntos Imagen 019.jpg (58KB - 462 descargas)
Adjuntos Imagen 020.jpg (17KB - 406 descargas)
Parte superior de la página Parte inferior de la página
933
Valencia
Como petición a un compañero, decir que se puede "extender" el día-noche aqui descrito a 4 fases, incluso algunas más.

Se trata de realizar un secuenciador de 4 canales con los integrados 555 y 4017, las salidas controlarian unos reles que serian los que van a la regulación del condensador, por supuesto hace falta 4 unidades reguladoras tambien.

Esto se puede realizar y probar, en este momento no me es posible, aunque veo factible su diseño.

Si se quiere realizar más fases, solo hay que extender las salidas del 4017 hasta 10, y realizar tantas unidades como fases queramos tener, creo que con 10 fases hay de sobra.

Cuando tenga claro un esquema lo pongo en este mismo hilo, si creeis que se le puede sacar más aplicaciones solo teneis que decirlo.
Parte superior de la página Parte inferior de la página
285
Jerez de la Frontera
Paco, me ofrezco a ir probando los diseños teoricos que vayas realizando y vamos comentando como sale todo.
Parte superior de la página Parte inferior de la página
933
Valencia
Gracias amador lo tengo en cuenta, antes de avanzar hay que probar como le sienta al variador de luz, iniciarse desde cero. Es decir que aplicandole tensión no se encienda su carga que es la bombilla, si no que permanezca apagada.

Lo pruebo y ya comento como funciona.
Parte superior de la página Parte inferior de la página
933
Valencia
x amador

Con este circuito podemos controlar 10 fases ó reles, con el potenciometro regulamos de forma progresiva el tiempo, el inconveniente es la regulación del tiempo que es lineal, no se puede regular cada paso por separado, la forma de encendido es un bucle, siempre hay uno encendido y 9 apagados.

(10 fases.jpg)
Adjuntos
----------------
Adjuntos 10 fases.jpg (142KB - 1738 descargas)
Parte superior de la página Parte inferior de la página
231
Sevilla.
Hola un saludo a todos...

Pitagorín, si has visto mis documentos verás que hay un circuito conversor D-A con resistencias, me pregunto si tendrias alguno mejor, con integrado, por ejemplo....

Lo necesitaria para 8 bits...para convertir valores binarios de 0 a 255 en valores de tensión variables por ejemplo de 0 a 12V continua o mejor aún de 0 a 220v alterna...

También necesitaria ayuda con un problemilla de Visual Basic, cómo guardar valores en matrices y leerlos después...pues estoy atascado, si alguien pudiera echarme un cable....
Gracias...
Parte superior de la página Parte inferior de la página
933
Valencia
Nabateo el tema de la programación me defiendo lo justo, tengo pensado un circuito con PIC 16F84, aqui si hay mucho juego, pues permite varias salidas con infinitas combinaciones. Ahora estoy resolviendo problemas con fluorescentes.

Como has podido observar me resisto a utilizar un PC para el control del Belén, con la electrónica que tengo sincronizo perfectamente todo el sistema.

No me convence mucho el control día - noche mediante PC, prefiero un sistema solido y dejar estos efectos mediante tarjetas cebek y tal. ( me resisto todavia)

De todas formas dime cual es la necesidad y intento buscar una solución.

Parte superior de la página Parte inferior de la página
285
Jerez de la Frontera
Paco, con el montaje ultimo que has publicado tendriamos encendido secuencial todo-nada, simplemente sustituimos los LED por los correspondientes relés y listo¿voy bien?. Mi pregunta es si se podria aplicar este mismo circuito al que publicaste al principio del post y hacer que los ciclos varien de manera gradual. Saludos.
Parte superior de la página Parte inferior de la página
933
Valencia
amador - 28/1/2007 19:11

Paco, con el montaje ultimo que has publicado tendriamos encendido secuencial todo-nada, simplemente sustituimos los LED por los correspondientes relés y listo¿voy bien?. Mi pregunta es si se podria aplicar este mismo circuito al que publicaste al principio del post y hacer que los ciclos varien de manera gradual. Saludos.


Esa es la idea, lo que pasa que no he podido probar como el sienta al variador el encendido desde 0, pues como lo tengo ahora cuando se le dá corriente su luminosidad es la maxima, es decir de día.

A ver si en un par de semanas puedo montar un día-noche y lo pruebo.

Ahora estoy haciendo pruebas con microprocesadores, cuando tenga algo estable os lo comunico.

Parte superior de la página Parte inferior de la página
220
Sicilia (ITALIA)
Hola a todos
Justificación si intervengo en una conversación no a mí directa, pero creo que la participación de más personas anima y aumenta la participación al foro.

Amador los relés no pueden ser reemplazados directamente con los led en cuánto absorben un corriente superior a aquél erogado por el CMOS 4017 y este comportaría de ello su destrucción.
Los relés pueden ser sólo montados en el circuito en discusión si fueras a interponer entre las salidas del 4017 y los relés un circuito de potencia.
Este circuito tendrá que ser realizado con al menos un transistor y una resistencia entre la base de este último y la correspondiente salida del circuito integrado y un diodo en paralelo a la bobina del relé.
Por cuánto concierne la pregunta si el circuito de nueva electrónica funciona con el circuito relativo la modificación susodicha puedo contestarte que es técnicamente posible en cuanto no haces otro que reemplazar el desviador encender / apagar del circuito publicado por nueva electrónica con los contactos del relé desviador (una calle y dos posiciones) que irá a insertar.
El único problema que pudiera emerger, pero éste depende de lo quieres como utilizar, es la probable superposición de las luces, mientras uno está apagando lo otra se enciende, y en tal caso se tendrá que intervenir modificando los valores de algunos miembros, R1 - R2 - C1, del temporizador NE555.

Modificado por huésped extranjero 28/1/2007 23:49
Parte superior de la página Parte inferior de la página
933
Valencia
huésped extranjero tienes razón, la salida del 4017 no debe atacar directamente a unos reles.

Ademas de ayudar analizas el problema y das una solución, que más podemos pedir.

Seria posible si fueran de estos que consume poco del orden de 20 miliamperios, aun asi cuando deje de entregar corriente el 4017 a la bobina del rele, la extracorriente que se origina por el cese de esta, provocaria la destrucción del integrado.

Como todavia son pruebas y no estar el circuito solido, si alguien quiere adelantarse, se debe colocar un BC-547 ó BC-337 según el esquema del encendido de las casitas, ademas de colocar un diodo en paralero para evitar lo anteriormente citado con la extracorriente.

Quiero montar una unidad de regulación, con ella en el banco puedo efectuar pruebas, si veo que no puedo desmonto una del circuito que utilizo para el Belén, lo que sucede es que no quiero tocar nada, ya que se encuentra en una especie de bastidor y no quisiera tocarlo.

Tengo dudas acerca del comportamiento del regulador a la hora de conectarlo a tensión, basandome en pruebas que hice en otra ocasión, ya que empezamos de 0 y el condensador puede tener residuos de tensión, provocando que no funcione como queramos.

A ver si esta semana puedo tener cosas claras.

(Rele bajo consumo.jpg)
Adjuntos
----------------
Adjuntos Rele bajo consumo.jpg (18KB - 394 descargas)
Parte superior de la página Parte inferior de la página
Páginas: 1 2 3
Saltar al foro :
Buscar en este foro
Versión Impresa
Enviar un mail con el enlace a este tema

(Borrar todas las cookies grabadas por este sitio)
Ejecutándose MegaBBS ASP Forum Software
© 2002-2026 PD9 Software