Has entrado como invitado. ( Entra | regístrate )
|
Regulador de luz.jpg (146KB - 706 descargas)
modifica _01.JPG (53KB - 433 descargas)Hola Pitagorin
Como de tu anterior mensaje:
Cuando si conecta al red, siempre empieza el ciclo de anochecer, es decir el bombilla si apaga progresivamente, para que esto no ocurra ya que no es el efecto deseado, si debe cambiar sobre funcionamiento.
Un saludo
1N4148.JPG (53KB - 371 descargas)
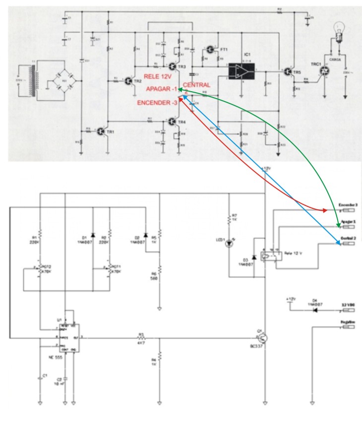
Variador 12 leds.jpg (158KB - 619 descargas)Hola,ante todo muchas gracias por tus atenciones y tu interes,para concretar entiendo que se conecta así?
esquema.bmp (296KB - 402 descargas)
Variador temporizador.jpg (74KB - 510 descargas)| Páginas: 1 2 3 |
| Buscar en este foro Versión Impresa Enviar un mail con el enlace a este tema |





