Has entrado como invitado. ( Entra | regístrate )
|
PROTECCION CON SILICONA CALIENTE.jpg (153KB - 204 descargas)
PRODUCCION EN SERIE - UNO AAÃN CON LA SILICONA CALIENTE.jpg (177KB - 194 descargas)
[FOCO CON LEDS AMARILLOS].jpg (116KB - 184 descargas)
ILUMINACION TENUE EN AMARILLO.jpg (145KB - 176 descargas)
VARIAS INTENSIDADES Y COLORES.jpg (88KB - 187 descargas)
LUZ DE FONDO.jpg (130KB - 179 descargas)
ESQUEMA EN DOS PARTES.jpg (53KB - 197 descargas)
PLANO DM MEDIDAS.jpg (64KB - 192 descargas)
MONTAJE SEMIAEREO.jpg (84KB - 182 descargas)
LEDS ACABADOS TRASERA.jpg (172KB - 190 descargas)
LEDS ACABADOS FRONTAL.jpg (170KB - 170 descargas)
PROTEGIENDO TRASERA LEDS.jpg (127KB - 171 descargas)
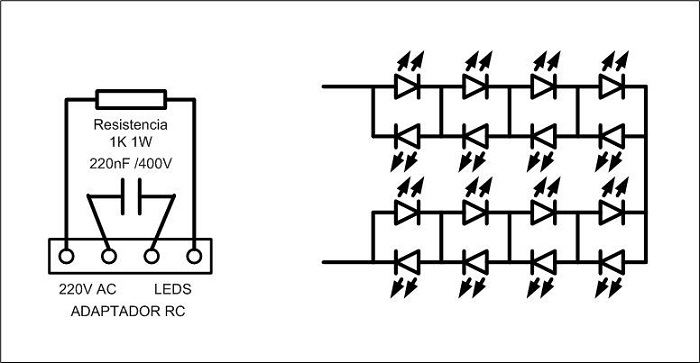
ELEMENTOS ADAPTADOR RC.jpg (118KB - 157 descargas)
ADAPTADOR RC DISPOSICION COMPONENTES.jpg (67KB - 171 descargas)
ADAPTADOR RC MONTADO .jpg (130KB - 187 descargas)| Páginas: 1 2 3 |
| Buscar en este foro Versión Impresa Enviar un mail con el enlace a este tema |





