Has entrado como invitado. ( Entra | regístrate )
|
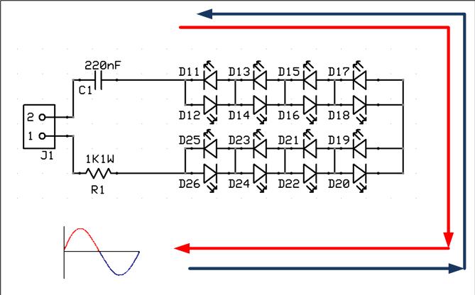
ANTIPARALELO - CORRIENTE ALTERNA.jpg (37KB - 186 descargas)
BRASAS.jpg (143KB - 184 descargas)
BASE Y ELECTRRRNICA.jpg (134KB - 174 descargas)
ILUMINACION NULA.jpg (83KB - 160 descargas)
BAJA ILUMINACION.jpg (168KB - 199 descargas)
CON LUZ BLANCA.jpg (176KB - 170 descargas)
pistolatb.jpg (26KB - 192 descargas)Muy chulo doctor
me ha encantado pero esto
ni patata, vamos que es un galimatias para mi jajajaja
| Páginas: 1 2 3 |
| Buscar en este foro Versión Impresa Enviar un mail con el enlace a este tema |





