|
PB011487.JPG (110KB - 301 descargas)
ESQUEMA.jpg (53KB - 290 descargas)
EV-FASE.jpg (52KB - 256 descargas)
ESQUEMA1.jpg (58KB - 281 descargas)
Ismael:
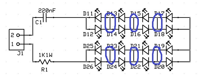
El condensador es válido para montar entre 2 diodos y tal vez hasta 40 diodos leds (aunque esto último no lo he probado, pero a priori creo que si). Lo mismo le ocurre a la resistencia.
Las líneas que están en azul son conexiones. En realidad el montaje es algo así como "varias parejas de leds en antiparalelo montadas en serie". Por eso debes montar 2, 4, 6, 8... leds. Con un número impar no vale.
Te pongo un esquema abajo quizás más claro.
ESQUEMA.JPG (49KB - 268 descargas)Hola de nuevo,ya tengo todo el material necesario,( creo ) y te digo creo porque he tenido que patear Valencia entera para conseguir todo lo que necesito y a pesar de todo no tengo claro que sirva,te cuento:las resistencias me han dado unas de color azul con los siguientes colores,dorado,granate,negro y marron,el condensador supongo que valdra ya que tiene los mismos valores que el que pones en la foto,cambia que no es de plastico parece ceramico de color naranja,en cuanto a los leds he comprado varios y de varios colores no creo tener problema con ellos,me disponia a comenzar a trabajar con todo pero he preferido comentarte antes lo que he comprado para que me des el visto bueno, si es asi empiezo ya y ya te comento como va todo. Saludos Angel
Buenas Rafa,conseguido,funciona a la perfeccion no pongo fotos porque lo de la soldadura no es lo mio y deja mucho que desear,las pondre cuando tenga acabado el diorama que no se vera nada ,comentarte una sola cosa que supongo que sera normal,los leds parapadean creo haber leido en post tuyo que asi es,¿me equivoco?tambien comentarte que compre unos led intermitentes para hacer la hogera,pero he tenido que quitarlo de circuito ya que no funcionan,los he probado todos y no van , se encienden los demas leds pero estos en concreto no. bueno he dado un gran paso gracias a ti, no ha sido tan dificil gracias a la explicaciónes recibidas por tu parte,a partir de ahora seguire dando un paso más en iluminacion,seguire tus post muy de cerca,muchas gracias y un saludo. Angel
| Páginas: 1 2 3 4 5 |
| Buscar en este foro Versión Impresa Enviar un mail con el enlace a este tema |





