Noticias|Artículos|Figuras|Enlaces|belenismo.net
Foro de Belenismo

¿Quieres anunciarte aquí? - contacta con nosotros
Has entrado como invitado. ( Entra | regístrate )
  Entra con Google

Técnica -> Iluminación y efectos especiales
Fumigeno casero

Páginas: 1 2 3 4 5
358
Aranjuez
9/5/2013 00:21
Tengo una peuqeña duda. El pasador lleva soldado el hilo de nicrom pero este hay que aislarlo de la lata no?

Ese paso no le entiendo, soy un poco negao pa estas cosas. pero supongo que el hilo de nicrom no tiene que tocar por nada a la lata no?.

Un saludo
A ARTURO le gusta esto.
Parte superior de la página Parte inferior de la página
358
Aranjuez
9/5/2013 00:37
A esto me refiero.

(get-image copy.jpg)
Adjuntos
----------------
Adjuntos get-image copy.jpg (164KB - 249 descargas)
Parte superior de la página Parte inferior de la página
3949
El Albujón - MURCIA -
9/5/2013 14:05

Uztaila - 9/5/2013 00:21 Tengo una peuqeña duda. El pasador lleva soldado el hilo de nicrom pero este hay que aislarlo de la lata no? Ese paso no le entiendo, soy un poco negao pa estas cosas. pero supongo que el hilo de nicrom no tiene que tocar por nada a la lata no?. Un saludo

  Estaría bien aislarlo de la lata, pero no tiene mayor peligro al tratarse de pequeños voltajes, tal y como está puesto tampoco tiene riesgo de provocar un corto.

 Un saludo.

Parte superior de la página Parte inferior de la página
358
Aranjuez
9/5/2013 15:02
Ok. muchas gracias J. David. Pensaba que no funcionaría, si lo monto... lo aislare que yo soy mu pato pa esto jejeje
Parte superior de la página Parte inferior de la página
502
españa - madrid
10/5/2013 01:32
Hola a todos, perdonar que he estado un poco liado y no he podido contestar vuestras preguntas, pero como habréis observado han sido contestadas por otros compañeros, ya que este pap se ha convertido en algo muy interesante y que sacaremos adelante entre todos.
A Pancaro decirle que espero que nos cuente los resultados con ese relé que quiere poner, ya que parece interesante.
Mibako, tienes razón en eso que los plastiquitos que recubren la conexión Faston se derriten, cosa que ya ha ocurrido, pero lo he solucionado poniendo una camisa ignifuga en las conexione.
Los 2 enlaces son muy interesantes gracias.
Uztaila, ya te ha contestado J. David debería estar aislado pero como no tenemos peligro de descarga ya que es un voltaje muy bajo, por eso lo deje así
Gracias a todos por vuestro interés. Un saludo
Parte superior de la página Parte inferior de la página
17
Cantabria
10/5/2013 08:37
Hola a todos.

Arturo, tal y como comenta José David los dos alambres de cobre hacen de sonda. El circuito electrónico es sencillo y se puede apreciar en las IMG_1254 y 1255; se trata de un transistor de potencia y una resistencia de 820K. Lo que no se es si funcionará con cualquier fluido como combustible ya que en principio es un detector de agua. No os creáis que domino la electrónica simplemente para hacerlo es cuestión de realizar las conexiones que indica el esquema y luego probar si funciona.

Saludos

(Deteccion de agua.jpg)
Adjuntos
----------------
Adjuntos Deteccion de agua.jpg (23KB - 258 descargas)
A J. David y oli les gusta esto.
Parte superior de la página Parte inferior de la página
933
Valencia
11/5/2013 08:52
Guille lamento comunicar que ese circuito no funcionará, la configuración del mosfet no es correcta.

Son necesarios por lo menos 2 transistores, uno NPN y otro PNP, resistencias de polarización, un relé y un control con potenciómetro para ajustar la resistencia de cada líquido, esta es diferente dependiendo de la densidad ó propiedades de cada uno de ellos.

Parte superior de la página Parte inferior de la página
502
españa - madrid
12/5/2013 16:33
Hola Pitagorin, por que no nos mandas tu un esquema con el nombre de los componentes, los valores que debemos utilizar, si no es molestia, te lo agradeceremos todos. Gracias un saludo
Parte superior de la página Parte inferior de la página
3949
El Albujón - MURCIA -
13/5/2013 11:34
Al margen de que Pitagorin nos resuelva el esquema solicitado, como segunda opción, existe un detector de líquidos con potenciómetro para ajuste de sensibilidad a un precio asequible 15€, me refiero al (I-6) de cebek. Yo lo he probado con agua y funciona de maravilla, el líquido especial para máquinas de humo tiene un 75% menos de conductividad que el agua pero creo que podría valer. Adjunto PDF con la información del detector.
Adjuntos
----------------
Adjuntos i-6-esp.pdf (208KB - 337 descargas)
A bob-trenzzas le gusta esto.
Parte superior de la página Parte inferior de la página
933
Valencia
13/5/2013 14:09
Dibujo el esquema y lo pongo en el foro, lo hice para avisar de llenado de la garrafa de agua de un aparato de aire acondicionado.
Parte superior de la página Parte inferior de la página
17
Cantabria
13/5/2013 15:24
Hola Pitagorín:

Ya aprovecho la ocasión para saludarte y agradecerte tu franqueza. Aunque no tengo miedo a la electrónica he de reconocer que mis conocimientos sobre ésta son básicos.
Probablemente para los entendidos como tú el esquema que he puesto es una chapuza integral (electrónicamente hablando) y usar un MOSFET para esto algo así como una aberración. Yo tomé el esquema de una revista de modelismo hace ya algunos años y con mi fumígeno, usando como combustible glicerina/agua/alcohol, funcionó; o al menos esa impresión me quedó. No obstante volveré a montar el pequeño circuito al fumígero e informaré de los resultados.
Quizás, y por encontrar alguna explicación, el hacer trabajar al MOSFET en condiciones anómalas da como resultado algo aprovechable…
De todos modos tu propuesta a buen seguro será más apropiada y fiable.

Un saludo y gracias por tu intervención.

¡Vuelvo a poner el esquema ya que faltaba la conexión del polo + del la salida “Dispositivo a controlar”. Por si acaso queréis enredar un poco.

(Deteccion de agua.jpg)
Adjuntos
----------------
Adjuntos Deteccion de agua.jpg (23KB - 282 descargas)
Parte superior de la página Parte inferior de la página
933
Valencia
13/5/2013 21:45
Hola Guille, voy a puntualizar mejor por qué pienso que no funcionaria:

1- La resistencia del fumígeno la hacemos trabajar con corriente alterna (AC), el mosfet nos da tensión (DC). Partimos de que cambiamos la AC x DC seria necesario un disipador para el mosfet.

2- No me refería que faltaba el + de la alimentación, si no que dependiendo de la resistencia que tenga el gate (G) del mosfet puede conducir más corriente ó menos, si la sonda están sumergidas a un nivel y este desciende las resistencia cambia y el mosfet no estará funcionando del todo bien.

Pongo un circuito que monte hace tiempo y funciona bien, sirve para avisar cuando un deposito de agua está lleno, pero tenemos un relé que podemos hacer trabajar para desconectar la resistencia. Si alguien puede comprobar la resistencia que tiene el líquido con un tester se lo agradecería, (en la escala de 10 Mega ohmios) tal como esta este circuito conduce con una resistencia de 3,3 Mega ohmios, cuando el líquido no toque la sonda se convierte en R infinita y deja de conducir.





(Circuito sensor llenado de liquidos.jpg)
Adjuntos
----------------
A bob-trenzzas y juanitobanana79 les gusta esto.
Parte superior de la página Parte inferior de la página
71
Cartagena
13/5/2013 22:17
Hola PITAGORIN! No entiendo una castaña de todo lo que explicas, pero me parece fascinante la capacidad que tenéis los que controláis la electrónica que os permite crear de la nada dispositIvos para cosas tan concretas. Me encantaría poder tener también esa capacidad. Enhorabuena ^^
Parte superior de la página Parte inferior de la página
3949
El Albujón - MURCIA -
13/5/2013 22:57
Yo lo tengo comprobado, y aunque depende un poco del nivel de liquido y la separación de los electrodos, me da una lectura de 8,3 M-Ohmios, aproximadamente.
Parte superior de la página Parte inferior de la página
933
Valencia
16/5/2013 13:21
He montado el circuito en una placa uniprint, con un valor de 10 Mega ohmios como sonda he comprobado que funciona bien.
Si tenéis dudas podéis preguntar.



(Control liquidos.jpg)
Adjuntos
----------------
Adjuntos Control liquidos.jpg (39KB - 244 descargas)
A J. David le gusta esto.
Parte superior de la página Parte inferior de la página
17
Cantabria
16/5/2013 14:11
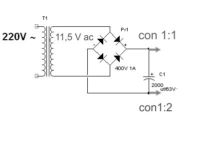
Tengo una duda Pitagorin. Si partimos de la base que tenemos AC 12v (alterna) ¿El circuito se alimenta con alterna o habría que poner un puente de diodos mas filtro entre CON1:1 y CON1:2?
Parte superior de la página Parte inferior de la página
933
Valencia
16/5/2013 14:59
Hay que poner un circuito como dices, que rectifique la tensión alterna y si es posible que lleve un regulador tipo 7812.


(7812.jpg)
Adjuntos
----------------
Adjuntos 7812.jpg (33KB - 244 descargas)
Parte superior de la página Parte inferior de la página
17
Cantabria
16/5/2013 15:39
Partimos de la base que tenemos como tensión de salida la proprorcionada por este aparatito...
Parte superior de la página Parte inferior de la página
17
Cantabria
16/5/2013 15:43
perdón 15jpg (a ver si consigo subirla otra vez)

(15.jpg)
Adjuntos
----------------
Adjuntos 15.jpg (92KB - 247 descargas)
Parte superior de la página Parte inferior de la página
933
Valencia
16/5/2013 17:20
Pues queda asi:

(Rectificador.jpg)
Adjuntos
----------------
Adjuntos Rectificador.jpg (17KB - 256 descargas)
A bob-trenzzas le gusta esto.
Parte superior de la página Parte inferior de la página
Parla City, Madrid, España
31/5/2013 11:05
Saludos
Despues de leer y releer el hilo y visitar los diversos enlaces que en el se han mostrado para ilustrar el tema voy a enfocar el tema desde un punto de vista mas

Creo que nos complicamos demasiado con circuiterias, resistencias y complicadas estructuras, que muchos de nosotros no somos capaces de realizar, pero que una pequeña industria artesana puede realizar de una manera eficiente.

Para ilustrar mi propuesta permitidme que haga referencia a tres de las informaciones que aquí se han expuesto, la primera proporcionada por bob-trenzas en su segundo post del dia 6 de mayo, la segunda por Mibako en su Post del 6 de mayo (ampliada por el post del 7 de mayo), tercera el segundo enlace que porporciona Mibako en su post del 8 de mayo:

http://www.newrailwaymodellers.co.uk/Forums/viewtopic.php?p=180324

Una vez examinados los mismos solo se me ocurren dos teorias:
1ª que la conductividad del fluido (aceite o esencia)por su conductividad (aunque ligera) "cortocircuite" los dos "electrodos" y se produce calor, es decir que se poduce calor en el fluido que produce el cortocircuito, especialmente en la zona próxima a los "electrodos", con lo que obtenemos nuestro humo

2ª Por el escaso voltaje (3v a 4,5V) en caso de utilizar "nicrom" necesitariamos una pequeña longitud, que si ademas es "tubular" o mas grueso que el que utilizamos habitualmente para el corte acorta drasticamente la longitud necesaria. Ya solo nos falta poner nuestro fluido y aplicar la corriente. A nosotros nos resultaria mui costoso adquirir unos centimetros de este material para hacer media docena de fumigeros pero si se van a fabricar 1000 el coste disminuye de forma exponencial

Por las imagenes creo mas próxima esta segunda teoría. Ahora tocaria ponerlas en practica y ver que resultados proporcionan
Parte superior de la página Parte inferior de la página
502
españa - madrid
1/6/2013 00:27
Gracias Jolbus por tu comentario y aportacion, extraigo las fotos de la direccion de correos que aportas para asi tenerlas mas a la vista y poder opinar mejor. Un saludo

(1.jpg)

(2.jpg)

(3.jpg)

(4.jpg)

(5.jpg)

(6.jpg)

(7.jpg)
Adjuntos
----------------
Adjuntos 1.jpg (167KB - 225 descargas)
Adjuntos 2.jpg (171KB - 241 descargas)
Adjuntos 3.jpg (167KB - 228 descargas)
Adjuntos 4.jpg (166KB - 273 descargas)
Adjuntos 5.jpg (168KB - 243 descargas)
Adjuntos 6.jpg (167KB - 240 descargas)
Adjuntos 7.jpg (164KB - 256 descargas)
A jbr_belenes le gusta esto.
Parte superior de la página Parte inferior de la página
Parla City, Madrid, España
3/6/2013 11:44
Saludos

La lástima es que no se ven claras las conexiones del cableado, así, y solo por la apariencia, podemos suponer que el fluido (aceite o esencia) es el que cortocircuita los polos y se produce el calentamiento que produce el humo. Estiendo que esto podría deberse a la escasa conductividad del fluido y al escaso voltaje

Por otra parte si utilizáramos una pequeña longitud de NiCrom ( 1 ó 2 Centímetros.) habría que experimentar para averiguar que voltaje e Intensidad (Amperaje) serian necesarios para producir el efecto deseado
Mibako nos habla de 3 a 4,5 Voltios en su caldero, quiero suponer que suministrados por un pack de pilas o una pila de petaca, no es mal punto de partida
Lo suyo seria disponer de una Fuente de Alimentación de voltaje variable, por ejemplo de 0 a 5 Voltios y de un amperaje variable de 0 a 5, si ademas tiene indicadores de voltaje y consumo (Amperaje), y necesaria mente cortocircuitable, nos facilitaría mucho el trabajo
Cortaríamos un trozo de Nicrom de 2 cm por ejemplo, sujeto con pinzas de cocodrilo en los extremos lo sumergimos en nuestro fluido y procedemos a variar voltaje y amperaje para averiguar nuestra necesidad
Cuando sepámos estos dos datos nos será muy sencillo adaptar un hilo tan pequeño a cualquier depósito para producir humo
A partir de este conocimiento el adaptar un pequeno transformador (tipo cargador de móvil que dá 5 V y 500 mA) no debe ser muy complicado
Voy a ver si encuentro una fuente de este tipo para poder realizar la experiencia
Parte superior de la página Parte inferior de la página
502
españa - madrid
3/6/2013 22:25
Hola Jolbus, según el post de fecha 6-5-2013 en el cual muestro el mecanismo de un fumígeno de Ibertren da la sensación que uno de los polos está conectado al tubito interior y el otro polo al exterior, y como comentas tu debe de producirse el coto y por eso sale el humo, intentare colocar los cables en esta posicion que comento haber que es lo que pasa. Un saludo
Parte superior de la página Parte inferior de la página
502
españa - madrid
3/6/2013 22:26
Hola Jolbus, según el post de fecha 6-5-2013 en el cual muestro el mecanismo de un fumígeno de Ibertren da la sensación que uno de los polos está conectado al tubito interior y el otro polo al exterior, y como comentas tu debe de producirse el coto y por eso sale el humo, intentare colocar los cables en esta posicion que comento haber que es lo que pasa. Un saludo
Parte superior de la página Parte inferior de la página
Páginas: 1 2 3 4 5
Saltar al foro :
Buscar en este foro
Versión Impresa
Enviar un mail con el enlace a este tema

(Borrar todas las cookies grabadas por este sitio)
Ejecutándose MegaBBS ASP Forum Software
© 2002-2025 PD9 Software