|
Pitagorin: Te voy a pedir un favor, serias capaz de hacerme un esquema de un variador de luz automático para LED de alto brillo de 3,3 v. para un total de , por ejemplo, 10 LED, solo con dos salidas, día y noche, Esto es para hacer un belen en minuatura .
Te lo agradecería, me dieras orientación de donde dirigirme.
Gracias.
un esquema de un variador de luz automático para LED de alto brillo de 3,3 v. para un total de , por ejemplo, 10 LED, solo con dos salidas, día y noche
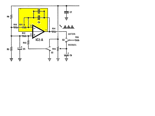
De momento selecciono la parte que hace variar la tensión, ves montandolo y comprueba que dando al conmutador manual ó automatico, desciende ó asciende la tensión, compruebaló con un tester no se le puede poner carga.
La idea seria utulizar un transistor BDX-53, el colector debe ir a 12 Voltios continua, en la base la flecla que hay variaciones de tensión, el emisor tendremos esa misma tensión + pero con corriente, suficiente para manejar una cadena de leds, el otro extremo es negativo.
Si puedo lo pruebo este fin de semana y dibujo un esquema, estos leds suelen funcionar como dices con 3,3 V (con 3 V tambien funcionan) si se alimentan con 12 Voltios pueden ir 4 en serie, asi puedes colocar 3 cadenas con 4 cada uno, tambien cabe la posibilidad de que la alimentación sea del orden de 18 Voltios, asi pueden ir 5 en serie (si son 10 los que se quieren montar) pero con una resistencia de 47 ohmios 1 Watio como carga.
Se me olvida el conmutador S2 sube o baja la tensión automaticamente, el S3 hace de forma manual mediante el potenciometro ó pasa a la función automatica.
Circuito variador tension.jpg (29KB - 542 descargas)Pitagorin: Te voy a pedir un favor, serias capaz de hacerme un esquema de un variador de luz automático para LED de alto brillo de 3,3 v. para un total de , por ejemplo, 10 LED, solo con dos salidas, día y noche, Esto es para hacer un belen en minuatura .
Te lo agradecería, me dieras orientación de donde dirigirme.
Gracias.
Variador de tensiiÃn para leds.jpg (65KB - 514 descargas)Hola un saludo...
¿Podrias-is, indicarme un programa para simulacion de circuitos, sencillo? , creo que distes-is un enlace pero no logro localizarlo...
Gracias...
Variador tensiiÃn continua.jpg (83KB - 398 descargas)
Dibujo.GIF (5KB - 359 descargas)| Páginas: 1 2 3 |
| Buscar en este foro Versión Impresa Enviar un mail con el enlace a este tema |





