|
Pitagorín:
Comprendo que tengas que responder con un lenguaje tecnico, pero ya puestos no podrias ilustrarlo un poco con alguna foto. Yo que se un poco del tema, he tenido que releer dos veces el texto para conseguir llegar a la conclusión de como hacerlo, por ello pienso que si pusieras una foto de ese ejemplo que nombras en tu posesión ayudarías a muchos que estan ahi, que no dan el salto, porque no saben como hacerlo. Espero que no te moleste el comentario.
Pitagorín:
Comprendo que tengas que responder con un lenguaje tecnico, pero ya puestos no podrias ilustrarlo un poco con alguna foto. Yo que se un poco del tema, he tenido que releer dos veces el texto para conseguir llegar a la conclusión de como hacerlo, por ello pienso que si pusieras una foto de ese ejemplo que nombras en tu posesión ayudarías a muchos que estan ahi, que no dan el salto, porque no saben como hacerlo. Espero que no te moleste el comentario.
Eso es lo que queria, que alguien dijera ¿y la foto?
Si teneis dudas las posteais
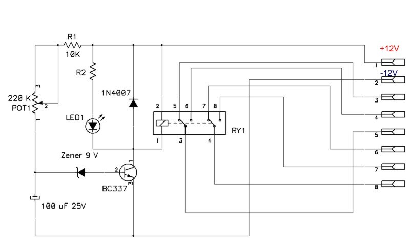
Temporizador doble.jpg (129KB - 188 descargas)
Retardo.jpg (41KB - 152 descargas)| Páginas: 1 |
| Buscar en este foro Versión Impresa Enviar un mail con el enlace a este tema |





