Noticias|Artículos|Figuras|Enlaces|belenismo.net
Foro de Belenismo

¿Quieres anunciarte aquí? - contacta con nosotros
Has entrado como invitado. ( Entra | regístrate )
  Entra con Google

Técnica -> Iluminación y efectos especiales
no me funciona

Páginas: 1
54
tarrega
25/4/2008 16:45

te agradeceria si me pudieses ayudar para construir un  SIMULADOR DE FUEGO con cebador "casero"

lo estoy intentando i no consigo que me funcione. 

que necesito? i como montarlo?

 un saludo  i gracias de antemano

Parte superior de la página Parte inferior de la página
3949
El Albujón - MURCIA -
25/4/2008 17:54
Diocat, debes de poner una lámpara acorde con el cebador, es decir, la lámpara no ha de superar la potencia en vatios (W) del cebador, pues si lo haces, apenas se notaría la intermitencia de la misma, procura que la lámpara no supere la mitad de (W) admisibles por el cebador. Ejemplo, cebador de 22 (W) lámpara de 10 o 15 (W). El cebador puede servir para cualquier voltaje que no supere los 230 V -que no la lámpara- y deberá ser instalado en serie con la misma.
Parte superior de la página Parte inferior de la página
933
Valencia
25/4/2008 18:00
Mira este hilo:

http://foro.belenismo.net/forums/thread-view.asp?tid=4517&start=1&h...

Puedes usar el buscador poniendo "cebadores"
Parte superior de la página Parte inferior de la página
54
tarrega
25/4/2008 20:32

mi intencion es con bombillas de 12 v.

te agradeceria me dibujases un esquema, com la electricitat soy muy torpe i no acabo de entenderlo

puedo poner mas de una bombilla en cada cebador?

 gracias por la ayuda

 

Parte superior de la página Parte inferior de la página
933
Valencia
26/4/2008 21:35
Pitagorin - 26/4/2008 21:33

Con una bombilla de 12 Voltios no funciona, si se hace la suma en serie hasta alcanzar los 220 V si

Mira estos hilos:

http://foro.belenismo.net/forums/thread-view.asp?tid=4517&start=1&h...

" target="_blank" title="http://foro.belenismo.net/forums/thread-view.asp?tid=3839&posts=11&highlight=neon%20%3Cspan%20class='highlight'%3Eintermitente%3C/span%3E&highlightmode=1#M40481
">http://foro.belenismo.net/forums/thread-view.asp?tid=3839&posts=11&...
Parte superior de la página Parte inferior de la página
54
tarrega
27/4/2008 19:28

pitagorin ante todo quiero darte las gracias por la ayuda.

paso a explicarme, en un post de la ASOCI. BELENISTICA .a mi entender si se puede hacer con bombillas de 12 v.

cuantas bombillas puedo poner en cada cebador?

en el dibujo que atjunto donde tiene que ir el trasnformador, si es que se puede hacer!

 un saludo


(parpa.con cebador.jpg)
Adjuntos
----------------
Adjuntos parpa.con cebador.jpg (22KB - 189 descargas)
Parte superior de la página Parte inferior de la página
3949
El Albujón - MURCIA -
27/4/2008 20:44
Tienes que intercalar el cebador antes del transformador para que parpadee la lámpara y puedes poner varias de ellas. Para hacerlo sin transformador hay que calcular una resistencia, para ello es necesario saber el consumo de la lámpara.

(Dibujo.JPG)
Adjuntos
----------------
Adjuntos Dibujo.JPG (10KB - 161 descargas)
Parte superior de la página Parte inferior de la página
933
Valencia
28/4/2008 14:47
Como lo plantea Asoci. Belenística funciona, no obstante se puede fabricar un intermitente con pocos materiales, un NE 555, BC 337 y pocos componentes más.

PD: Admiro el ingenio de muchos de vosotros, a la hora de realizar "dispositivos" con cosas que se encuentran en todos los lados.
Parte superior de la página Parte inferior de la página
54
tarrega
28/4/2008 20:31

una vez mas os AGRADEZCO la ayuda.

 con material comprado necesito.

ne.555

bc.337

i que mas?te agradeceria un esquema. 

      atentamente un novato
 

Parte superior de la página Parte inferior de la página
933
Valencia
29/4/2008 08:01
Mira este hilo:

http://foro.belenismo.net/forums/thread-view.asp?tid=1946&posts=16&...

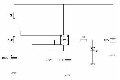
Este circuito hace intermitencias con un led:



¿Te atreves a montarlo?

El hacerlo con una bombilla es añadir un BC-337, pero eso en el siguiente paso.

(Intermitente NE-555.JPG)
Adjuntos
----------------
Adjuntos Intermitente NE-555.JPG (9KB - 211 descargas)
Parte superior de la página Parte inferior de la página
54
tarrega
29/4/2008 13:12

asoci.benistica

por trabajo en estos momentos no puedo probar el  aparatitoen un par de semanas ya os dire algo.

pitagorin te agradezco tu ayuda,pero del esquema no entiendo nada.

ya me gustaria provar con un aparatito como el que me propones perooooooooooooooooo!

Parte superior de la página Parte inferior de la página
Páginas: 1
Saltar al foro :
Buscar en este foro
Versión Impresa
Enviar un mail con el enlace a este tema

(Borrar todas las cookies grabadas por este sitio)
Ejecutándose MegaBBS ASP Forum Software
© 2002-2025 PD9 Software