Hola, Iscoco.
Mira, sobre lo de los 12 V de los leds efecto llama en lugar de los 2 a 3 usuales, fíjate que en las especificaciones pone que se pueden alimentar desde 2,5 hasta 12V c/c. Supongo que para conseguir el efecto llama el led llevará integrada, junto con el LED propiamemnte dicho, una electrónica que permita ese efecto trémolo tan conseguido. Dependiendo de esa electrónica cómo sea, así se necesitará una tensión más o menos estable.
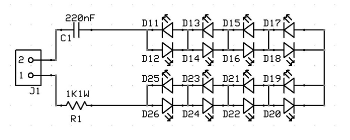
Sobre lo de tu consulta de si ese montaje con LEDs en antiparalelo conectados a 220 V (con esa red R-C) también se podría utilizar con los LEDs efecto llamaa, pues no sabría decirte. Depende de esa electrónica que te he comentado, de si lo admite o no. Lo que puedes hacer es probar a ver si funciona, al fin y al cabo no son muy caros los LEDs efecto llama. Y ya nos cuentas, je je je. Lo más que puede suceder es que se te fundan. Y si haces la prueba, mantenla funcionando durante mucho tiempo, para asegurarte de la fiabilidad a largo tiempo.
Un saludo.