Noticias|Artículos|Figuras|Enlaces|belenismo.net
Foro de Belenismo

¿Quieres anunciarte aquí? - contacta con nosotros
Has entrado como invitado. ( Entra | regístrate )
  Entra con Google

Técnica -> Iluminación y efectos especiales
neones para farolas

Páginas: 1
13
almeria
20/10/2009 02:21
Buenas a todos ,necesito me digais los colores de una resistencia que llevan los neones para funcionar a 220v,Pues en la tienda solo me venden el neon sin la resistencia, y no tienen ni idea de la equibalencia ,me dicen que les lleve los ohmios y los watios,yo e comprado 10 neones ,¿que resistencia debo ponerles ?,un saludo
Parte superior de la página Parte inferior de la página
933
Valencia
20/10/2009 08:21
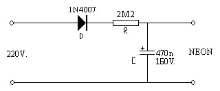
Puedes probar a colocar en serie:


220000 ohmios----rojo rojo amarillo oro

330000 ohmios----naranja naranja amarillo oro

470000 ohmios--- amarillo violeta amarillo oro

Hay que colocar un diodo 1N 4007 y un condensador de 100 Nf 250 V.

Te recomiendo usa el buscador pues es un tema muy escrito en el foro.


Se me olvida 1/4 de watio

Modificado por Pitagorin 20/10/2009 08:22
Parte superior de la página Parte inferior de la página
933
Valencia
20/10/2009 08:26
Puedes probar a colocar 220000 ó 330000 ó 470000 ohmios.

Hay que colocar un diodo 1N 4007 y un condensador de 100 Nf 250 V.

Te recomiendo usa el buscador pues es un tema muy escrito en el foro.

Parte superior de la página Parte inferior de la página
106
Ontigola (toledo)
21/10/2009 02:00
no se, pero me parece que lo del diodo 1n 4007 y el condensador (electrolitico) solo hace falta si lo que quieres es que parpade. Y me parece que con una resistencencia de 82 Kilo ohnmios valdria para ponerlo a 220 voltios. de todas formas lo miro y lo confirmo
Parte superior de la página Parte inferior de la página
933
Valencia
21/10/2009 07:58
Entiendo que el neón es para simular antorchas, la escasa luz que produce no es suficiente para iluminar una casa por ejemplo.

(neon.gif)
Adjuntos
----------------
Adjuntos neon.gif (1KB - 157 descargas)
Parte superior de la página Parte inferior de la página
13
almeria
24/10/2009 01:41
gracias me a sido de mucha alluda, esto va muy bien .
Parte superior de la página Parte inferior de la página
Páginas: 1
Saltar al foro :
Buscar en este foro
Versión Impresa
Enviar un mail con el enlace a este tema

(Borrar todas las cookies grabadas por este sitio)
Ejecutándose MegaBBS ASP Forum Software
© 2002-2025 PD9 Software