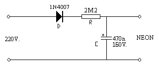
Buenas a todos ,necesito me digais los colores de una resistencia que llevan los neones para funcionar a 220v,Pues en la tienda solo me venden el neon sin la resistencia, y no tienen ni idea de la equibalencia ,me dicen que les lleve los ohmios y los watios,yo e comprado 10 neones ,¿que resistencia debo ponerles ?,un saludo