Has entrado como invitado. ( Entra | regístrate )
|
Hola mario
si buscas por el foro veras que hay un regulador de curriente continua que solo tiene dos componentes un LM317 y un Potenciometro de 220K y regularas desde 0 hasta lo que de el transformador
este regulador lo puse hace mucho tiempo pero nose como ponerte el enlace pero buscalo que esta
saludos
curro
lm317.gif (6KB - 705 descargas)
regulador para motor cc.JPG (198KB - 1087 descargas)
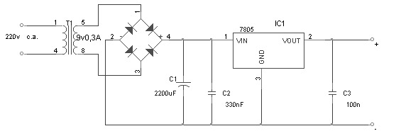
Fuente LM 78xx.gif (4KB - 542 descargas)| Páginas: 1 |
| Buscar en este foro Versión Impresa Enviar un mail con el enlace a este tema |





