|
fine corsa elettronico.JPG (73KB - 948 descargas)
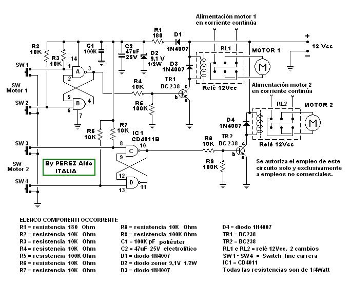
fine corsa elettronico.pdf (27KB - 351 descargas)
circ_Stamp_relais_Es4.pdf (33KB - 359 descargas)
Master PCB_relais_Es04.pdf (13KB - 253 descargas)
FotograffÃa 6.JPG (40KB - 209 descargas)
FotograffÃa 7.JPG (19KB - 237 descargas)
FotograffÃa 8.JPG (19KB - 202 descargas)
FotograffÃa 9.JPG (25KB - 190 descargas)
FotograffÃa 10.JPG (40KB - 223 descargas)
FotograffÃa 12.JPG (59KB - 203 descargas)
FotograffÃa 13.JPG (57KB - 209 descargas)hola de nuevo
si buscais por el foro lo puse ase algun tiempo pero explicare como los pongo yo suelo utilizar un solo relec puenteo las patillas de las esquinas opuestas una ala otra como esta puesto porai el motor lo suelo alimentar con el regulador de coriente continua para tener la velocidad deseada esta alimentacion esta siempre y la bobina del relec suelo alimentarla a 12 voltios con esto cuando metemos corriente al bobinado del relec cambia el sentido de jiro del motor los finales de carrera van enlugar de los puentes del relec luego cuando mi hija traiga la camara de foto os pondre unas fotos del carro de una impresora con el relec y los finales de carrera puesto y funcionando mando ahora el mensaje y luego lo editare para poner las fotos ya que lo tengo escrito lo enviare y cuando tenga la camara pondre las fotos el post donde puse el patillaje del relec creo que sellamaba regular sentido de giro en un motor o algo asi
hojuuuuuu
saludos
curro
carro de impresora [800x600].JPG (84KB - 275 descargas)
esquema [800x600].JPG (36KB - 249 descargas)
final de carrera derecho [800x600].JPG (49KB - 222 descargas)
final de carrera izcierdo [800x600].JPG (49KB - 248 descargas)
relec [800x600].JPG (68KB - 227 descargas)
FotografffÃÆa 6.JPG (13KB - 216 descargas)| Páginas: 1 2 |
| Buscar en este foro Versión Impresa Enviar un mail con el enlace a este tema |





