Noticias|Artículos|Figuras|Enlaces|belenismo.net
Foro de Belenismo
¿Quieres anunciarte aquí? - contacta con nosotros
Has entrado como invitado. ( Entra | regístrate )
  Entra con Google

Paso a Paso -> Paso a paso
Minicascada y rio

Páginas: 1 2
98
Guadalajara
23/12/2009 16:12
tengo na duda, que esmuy de novato..jeje. Entre la foto primera y segunda, ¿cómo haces para darle esa forma a la montaña? porque en la primera está el armazón comosi dijésemos, ¿pero que has usado para el "relleno" en la segunda??
Parte superior de la página Parte inferior de la página
101
Barcelona
24/12/2009 02:41
Hola fermanties, la montaña esta hecha siguiendo los consejos de Riera, (búscalo en el paso a paso) trozos de papel de cocina o de Wc, rociados con un spray mezclando cola blanca y agua, una vez la capa esta seca, otra encima hasta que la montaña está al gusto de uno.
Normalmente es una capa por día, ya que para aplicar la siguiente es conveniente que este bien seca la anterior, no hay relleno ninguno al secarse el papel la mezcla de la cola y agua hace que quede endurecido, es un poco la técnica del papel maché.
Parte superior de la página Parte inferior de la página
72
sevilla
26/12/2009 23:03
Cuanto megusta un rio y sobretodo una cascada. Si no te molesta me podrías dar una idea de las medidas. Lo digo por si te lo puedo copiar....jejeje.
Felicidades y gracias por anticipado
Parte superior de la página Parte inferior de la página
101
Barcelona
27/12/2009 17:27
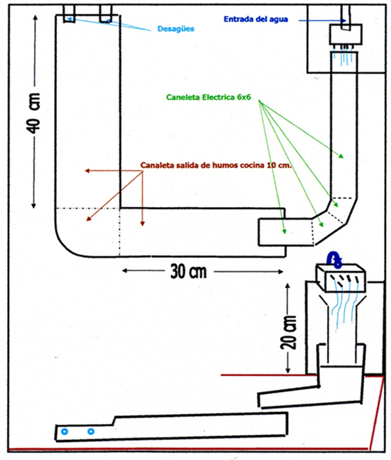
Hola Abril100, las medidas son altura de la cascada 20 cm.x 40 cm primer largo x 8 cm esquinados x 10 cm hasta el salto x 30 cm.de largo, curva a la derecha 90º x 50 cm hasta el desagüe.Espero que te sirva de ayuda mi explicación, si la encuentras liada, me lo dices y, adjuntare un dibujo.

Salutacions
Parte superior de la página Parte inferior de la página
¿Quieres anunciarte aquí? - contacta con nosotros
72
sevilla
29/12/2009 11:21
Gracias, le pasaré las medidas a mi marido, que el lleva la parte de ingieneria, a ver que me dice. yo, soy la pintora, la pone pegas, la buscadora de ideas, la que da la lata en el foro. Este año pusimos un rio de casi un metro, con el tubo extractor de cocina, ha ido muy bien sin pérdidas, pero para el año me gustaria una cosa parecida a la vuestra, me encanta. Muchas gracias y felicidades de nuevo.
Parte superior de la página Parte inferior de la página
101
Barcelona
29/12/2009 18:59
Hola Abril100, adjunto un croquis de como he realizado el montaje, si no lo ve claro tu marido, dímelo que entonces nos pondríamos de acuerdo vía "emilio", y te adjuntaría fotos mas detalladas del río, pero al mio le falta caudal, y para que se vea como corre el agua es cuestión de hacer saltos de agua, el año que viene lo modificare.

Salutacions y gracias por tu interés, en un proyecto de un novato.
Parte superior de la página Parte inferior de la página
101
Barcelona
29/12/2009 19:00
Je,je je faltaba el archivo, los años no perdonan.

Salutacions

(img614.jpg)
Adjuntos
----------------
Adjuntos img614.jpg (198KB - 198 descargas)
Parte superior de la página Parte inferior de la página
72
sevilla
29/12/2009 23:29
Sin tener más datos ni conocimientos pensamos si será la bomba de poca potencia. Muchas gracias por tu esquema se ve muy claro. Cualquier cosa que necesites no tengas dudas en ponermos un privado, nosotros haremos lo mismo. Saludos
Parte superior de la página Parte inferior de la página
¿Quieres anunciarte aquí? - contacta con nosotros
101
Barcelona
5/1/2010 19:41
Hola feliz año a tod@s, Abril100 seguro que le falta marcha a la bomba, el año que viene tendré inundaciones con la que estoy buscando.
Salutacions
Parte superior de la página Parte inferior de la página
23
taranto
16/2/2010 01:12
el trabajo está bien hecho, pero si puedo decir que las luces voy a ocultar mejor. aplicación óptima
Parte superior de la página Parte inferior de la página
101
Barcelona
19/2/2010 00:20
mifo, estoy de acuerdo con el tema luces, pero no tenia tiempo de hacer otra cosa, el proyecto para este año, de momento se va dibujando en la cabeza, procurare perfeccionar mi trabajo con la ayuda de los maestr@s de este foro
Parte superior de la página Parte inferior de la página
Páginas: 1 2
Saltar al foro :
Buscar en este foro
Versión Impresa
Enviar un mail con el enlace a este tema

(Borrar todas las cookies grabadas por este sitio)
Ejecutándose MegaBBS ASP Forum Software
© 2002-2026 PD9 Software