Has entrado como invitado. ( Entra | regístrate )
|
neeenes y leds.docx (18KB - 270 descargas)
neeenes y leds.docx (18KB - 282 descargas)
circuitos.docx (18KB - 202 descargas)
SANY0129.JPG (56KB - 158 descargas)
led a 110Volt Espa.bmp (195KB - 518 descargas)
neon 4mm a 110vAC.JPG (42KB - 185 descargas)
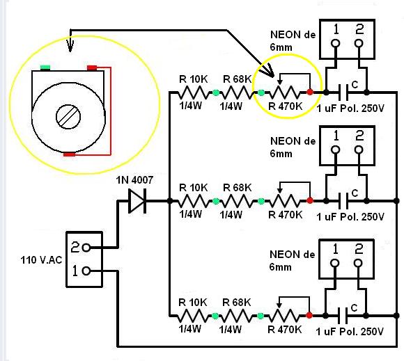
neon 6mm a 110vAC.JPG (46KB - 139 descargas)| Páginas: 1 |
| Buscar en este foro Versión Impresa Enviar un mail con el enlace a este tema |





