Has entrado como invitado. ( Entra | regístrate )
|
farol20.jpg (21KB - 402 descargas)
farol3-17.jpg (24KB - 311 descargas)
farol2-17.jpg (24KB - 881 descargas)
farol4-18.jpg (33KB - 351 descargas)
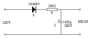
farol21.gif (1KB - 263 descargas)| Páginas: 1 |
| Buscar en este foro Versión Impresa Enviar un mail con el enlace a este tema |





