Noticias|Artículos|Figuras|Enlaces|belenismo.net
Foro de Belenismo

¿Quieres anunciarte aquí? - contacta con nosotros
Has entrado como invitado. ( Entra | regístrate )
  Entra con Google

Técnica -> Iluminación y efectos especiales
Circuito Eléctrico

Páginas: 1
21
Gran Canaria (Bañaderos) Arucas
5/3/2006 22:32
Hola Belenistas!

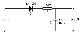
He hecho el esquema del Neón Intermitente y funciona pero con retardo, tardando casi un minuto en encender y apagar, están bien las carácteristicas de los componente. Alguien me podría confirmar las características de los mismos. Resistencia 2m2, diodo in4007 y condensador 470u 160 voltios. Gracias por vuestra respuesta.
Parte superior de la página Parte inferior de la página
2379
Madrid

¡Uy! casi, casi:

  • R = 1 MOhmnio, que es el "culpable"
  • Diodo IN-4007
  • Condensador de 0,47 Pico F de 400 V (Con 160 V puedes cargártelo a la primera de cambio, aunque no tiene nada que ver con el período si mantienes los 0,47)

A ver si se te anima.

Dinos algo cuando lo hayas solucionado, siempre es un consuelo.

Parte superior de la página Parte inferior de la página
1386
---- Gran Canaria
.- La solución esta en cambiar el condensador como dice Geni a 0,47 picofaradios, tú lo ha puesto en microfaradios. los 160V es la tensión maxima que se le puede aplicar, pueto que como maximo le vas a conectar 220v pues no hay problemas.

Para que el neón sea intermitente tenemos que realizar el siguiente esquema eléctrico

El esquema eléctrico anterior se puede desarrollar en un circuito impreso como este.

O bien directamente sobre el cable de alimentación del neón.

http://www.belenmontealto.com/tecni/electri/neon/neon.html





Modificado por jbr_belenes 6/3/2006 00:18

(neon15.jpg)

(farol21.gif)

(farol24.jpg)
Adjuntos
----------------
Adjuntos neon15.jpg (7KB - 322 descargas)
Adjuntos farol21.gif (1KB - 235 descargas)
Adjuntos farol24.jpg (13KB - 267 descargas)
Parte superior de la página Parte inferior de la página
2379
Madrid

Mas que todo por el fuero, insisto en que conviene que el condensdor tenga el rango de 400 V, pues de lo contrario, cualquier pico de tensión en el arranque te lo puede fundir.

A su vez la resistencia es mejor la de 1M Ohmnio; el circuito queda más equilibrado y el parpadeo, que es lo que interesa, es más real.

Juan Ramón me va a odiar. pero el circuito es mejor con las caracterasticas que propongo. Esto se discutió hacer tiempo en este foro. Puedes verlo en: 

https://foro.belenismo.net/forums/thread-view.asp?tid=287&posts=11

Tengo respuestas de varios foreros diciéndome que una vez probado el parpadeo es mucho más real. A mi me da lo mismo, pero la experiencia que cuento es real.

Parte superior de la página Parte inferior de la página
653
Jerez de la Frontera 11.404 Cádiz
11/5/2006 00:50
Estimados amigos belenistas:

Ante todo deseo aclarar que he esperado un tiempo prudencial para contestar a este tema.

Creo que el tema en sí esta bastante claro y deseo puntualizar algunos aspectos que menciona “geni”.


Se hace por parte de “geni” mucha insistencia que el condensador sea de 400 voltios en vez de los 160 voltios indicados para prevenir que se queme. Yo trabajo para Sevillana-Endesa en redes de media y baja tensión, digo esto porque parece que sea habitual que se quemen los aparatos de “geni”. Pero la realidad de mi trabajo día a día me dice que no sucede como lo explica “geni”. Tan sólo en casos aislados de caída de un rayo, que se queme un transformador o se corte el neutro de una instalación es posible que se quemen.

No voy a explicar el Reglamento de Baja Tensión, pero os aseguro que el Ministerio de Industria vigila de forma regular las oscilaciones de tensión y estas hoy en día no llegan a ser percibidas por el usuario a no ser como bien digo por causas extrañas como que viva muy lejos del transformador u otra índole ya mencionada.

Los comentarios que realizo son de mi zona de trabajo, y por tanto no conozco otras empresa de suministro eléctrico.

Pues que quede muy claro que los que trabajamos en el sector eléctrico somos profesionales y que las redes de media y baja tensión están debidamente protegidas para que no se produzcan “quemas en los aparatos eléctricos”.

Ya he mencionado con anterioridad que el parpadeo de estos neones depende exclusivamente del fabricante que usemos, es cierto que variando el valor de la resistencia se modifica el parpadeo; pero yo no explico nada nuevo, el circuito ya existe y se comercializa para dicho fin tal y como se explica, y este circuito que hace mucho tiempo que existe y se vende funciona de forma estándar.

Unas veces he comprado los neones en una tienda de electrónica y el circuito funciona bien, con otros neones comprados en la misma tienda no funcionan a no ser que se varíe un poco el valor de la resistencia.

Pero que quede claro que el condensador no modifica la seguridad del circuito.

Y que el circuito estándar explicado es correcto, lo que “geni” desea expresar lo entiendo como que a el le gusta más; pero para gustos...


No es mi intención polemizar, tan sólo deseo aclarar la situación.

Un cordial Saludo.


José - Belén Montealto - Jerez

http://www.belenmontealto.com/

Para toda la información acerca de neón:

http://www.belenmontealto.com/tecni/electri/neon/neon.html
Parte superior de la página Parte inferior de la página
Páginas: 1
Saltar al foro :
Buscar en este foro
Versión Impresa
Enviar un mail con el enlace a este tema

(Borrar todas las cookies grabadas por este sitio)
Ejecutándose MegaBBS ASP Forum Software
© 2002-2026 PD9 Software