|
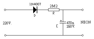
Por 2ª vez intervengo en este asunto, que ya se discutió hace tiempo y al que hace referecnia Pitagorín, que sin duda me da cien vueltas. Pero la experiencia es un grado y ya expliqué en el post al que él hace referencia que el circuito en cuestión es mejor adaptarlo a las características que expliqué y repito aquí:
Mas que todo por el fuero, insisto en que conviene que el condensdor tenga el rango de 400 V, pues de lo contrario, cualquier pico de tensión en el arranque te lo puede fundir.
A su vez la resistencia es mejor la de 1M Ohmnio; el circuito queda más equilibrado y el parpadeo, que es lo que interesa, es más real.
Juan Ramón me va a odiar. pero el circuito es mejor con las caracterasticas que propongo. Esto se discutió hacer tiempo en este foro. Puedes verlo en:
https://foro.belenismo.net/forums/thread-view.asp?tid=287&posts=11
Tengo respuestas de varios foreros diciéndome que una vez probado el parpadeo es mucho más real. A mi me da lo mismo, pero la experiencia que cuento es real.
Y ahí dejo esto. No podría resistir la tentación de corregir por ene-ésima vez el dichoso circuito que por estar bien dibujado creen muchos que es mejor.
| Páginas: 1 |
| Buscar en este foro Versión Impresa Enviar un mail con el enlace a este tema |





